- ПН-ПТЧасы работы менеджеров 10:00—18:00
- +7 (499) 213-04-54
- +7 (985) 941-77-25
- ПН-ПТЧасы работы менеджеров 10:00—18:00
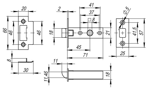
Защелка врезная FUARO PLASTIC P12-45-25 GP Латунь
Дверная защелка с пластиковым механизмом Fuaro P12 серии PLASTIC изготовлена в соответствии с требованиями ГОСТ 5089-2003. Предназначена для установки в деревянные межкомнатные двери. Корпус выполнен из стали с надежным гальваническим покрытием. Защелка легко устанавливается, подходит для дверей левого и правого открывания. Ударопрочный пластиковый механизм обеспечивает бесшумность работы защелки. Защелка P12 с усиленной пружиной имеет высший 4 класс надежности (250 000 циклов открывания/закрывания). Отверстия под стяжные винты находятся на расстоянии 37-41 мм. Размер бэксета - 45 мм. Возможна установка дверных ручек на стяжные винты для более прочного крепления. Цвет: золото. В комплектацию входят: ответная планка с декоративной вставкой и крепежная фурнитура в цвет изделия.
| Основное | |
|---|---|
| Артикул | 33591 |
| Артикул производителя | PLASTP12-45-25 GP |
| Производитель | FUARO |
| Коллекция | P12 |
| Цвет | Золото (латунь) |
| Назначение | Для межкомнатных дверей |
| Тип замка | Защелка без фиксации |
| Материал защелки | Пластиковая защелка |
| Тип механизма защелки | Классическая защелка |
| Бэксет удаление ключевого отверстия | 45 мм |
| Удаление квадрата под ручку | 45 мм |
| Сечение квадрата ручки | 8 мм |
| Дополнительная фиксация | Без доп. фиксации |
| Лицевая планка | Прямоугольная |
| Цвет планки | Латунь |
| Ответная планка | Есть |
| Тип защелки | Универсальная |
| Вес изделия | 120 г |
| Категория | Защелки врезные без фиксации |
| Страна | Китай |
| Гарантия | 1 год |
Загрузка данных авторизации