- ПН-ПТЧасы работы менеджеров 10:00—18:00
- +7 (499) 213-04-54
- +7 (985) 941-77-25
- ПН-ПТЧасы работы менеджеров 10:00—18:00
Защелка врезная FUARO PLASTIC P96WC-50 SN Матовый никель
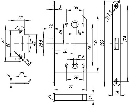
Дверная защелка с пластиковым механизмом Fuaro P96WC серии PLASTIC изготовлена в соответствии с требованиями ГОСТ 5089-2003. Предназначена для установки в деревянные межкомнатные и сантехнические двери. Легкая смена направления язычка защелки, подходит для дверей левого и правого открывания. Корпус выполнен из стали с надежным гальваническим покрытием. Ударопрочный пластиковый механизм обеспечивает бесшумность работы защелки. Защелка P96WC с усиленным блоком пружин имеет высший 4 класс надежности (250 000 циклов открывания/закрывания). Отверстия под стяжные винты находятся на расстоянии 38 мм. Размер бэксета - 50 мм. Размер межосевого расстояния - 96 мм. Возможна установка дверных ручек на стяжные винты для более прочного крепления. Цвет: матовый никель. В комплектацию входят: ответная планка и крепежная фурнитура в цвет изделия.
| Основное | |
|---|---|
| Артикул | 33619 |
| Артикул производителя | PLASTP96WC-50 SN |
| Производитель | FUARO |
| Коллекция | P96WC |
| Цвет | Матовый никель |
| Назначение | WC-комплекты |
| Тип замка | Сантехническая защелка |
| Материал защелки | Пластиковая защелка |
| Тип механизма защелки | Классическая защелка |
| Межосевое расстояние | 96 мм |
| Удаление квадрата под ручку | 50 мм |
| Сечение квадрата ручки | 8 мм |
| Сечение квадрата фиксатора | 6 мм |
| Дополнительная фиксация | Поворотной ручкой |
| Лицевая планка | Овальная |
| Цвет планки | Матовый никель |
| Ответная планка | Есть |
| Тип защелки | Универсальная |
| Вес изделия | 470 г |
| Категория | Защелки врезные без фиксации |
| Страна | Китай |
| Гарантия | 1 год |
Загрузка данных авторизации