Замок для противопожарных дверей FUARO FL-0434

Замок для противопожарных дверей FUARO FL-0434

Цена
1 179,70
экономия 17%
1 435,70
Артикул: 28747
Количество

ВНИМАНИЕ!

В связи с изменением курса валют некоторые цены на сайте могут быть не актуальными.
Информация о технических характеристиках, описании, комплекте поставки и внешнем виде носит ознакомительный характер, не является публичной офертой, определяемой положениями статьи 437 ГК РФ и может быть изменена производителем без предварительного уведомления. Информацию о товаре уточняйте у наших менеджеров.

Покупатели, которые приобрели Замок для противопожарных дверей FUARO FL-0434, также купили

Корпус врезного замка с защёлкой для противопожарных дверей FUARO FL-0434

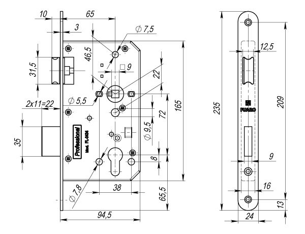
Корпус врезного противопожарного замка Fuaro FL-0434 разработан и изготовлен в соответствии с требованиями противопожарной безопасности. Предназначен для установки в металлические противопожарные двери. Универсальная защелка предусматривает возможность установки для правых и левых дверей, открывающихся как внутрь, так и наружу. Стальной оцинкованный корпус, лицевая планка из нержавеющей стали. На корпусе замка расположены отверстия под стяжные винты. Подпружиненное отверстие под квадрат для лучшей фиксации ручки. 

  • Повышенный ресурс работы: 600 000 циклов открывания/закрывания. 
  • Межосевое расстояние: 72 мм. 
  • Бэксет: 65 мм. 
  • Вылет ригеля: 22 мм. 
  • Ширина лицевой планки: 24 мм. 
  • В комплекте крепеж, винт для евроцилиндра 75 мм. 

Рекомендуется установка замка вместе с ручками для противопожарных дверей серии DH-0433 с пружиной и цилиндровым механизмом Fuaro.

Замок для противопожарных дверей FUARO FL-0434 - Характеристики

Основное
Артикул28747
Артикул производителяFP.C-65.72-0434
ПроизводительFUARO
КоллекцияFL
НазначениеПротивопожарные
Межосевое расстояние72 мм
Бэксет удаление ключевого отверстия65 мм
Цвет планкиНикель
Ширина планки24 мм
Тип защелкиУниверсальная
Размер ригеля35 мм
Количество ригелей1
Вылет ригеля22 мм
Функция anti-panicНет
Тип механизма секретностиЦилиндровый
Вес изделия779 г
КатегорияЗамки врезные под цилиндр
СтранаКитай
Гарантия1 год

Рекомендуем посмотреть

Магнитная защелка FUARO MAGNM96WC-50/BL INOX CP-8 хром блистер
экономия 13%
Магнитная защелка FUARO MAGNM96WC-50/BL INOX CP-8 хром блистер
985,70
1 144,20
экономия 13%
В наличии
985,70
1 144,20
экономия 13%
В наличии
Количество
Кол-во
804,40
976,10
экономия 17%
В наличии
Количество
Кол-во
Замок врезной сувальдный FUARO MDV25/S-60.00.3R16 5key
экономия 17%
Замок врезной сувальдный FUARO MDV25/S-60.00.3R16 5key
1 270,40
1 542,80
экономия 17%
В наличии
1 270,40
1 542,80
экономия 17%
В наличии
Количество
Кол-во
Замок тросовый FUARO PL-12100-CODE (12х1000)
экономия 17%
Замок тросовый FUARO PL-12100-CODE (12х1000)
477,50
579,90
экономия 17%
В наличии
477,50
579,90
экономия 17%
В наличии
Количество
Кол-во
Замок тросовый FUARO PL-12120-CODE (12х1200)
экономия 17%
Замок тросовый FUARO PL-12120-CODE (12х1200)
510,70
620,30
экономия 17%
В наличии
510,70
620,30
экономия 17%
В наличии
Количество
Кол-во
Замок тросовый FUARO PL-12150-CODE (12х1500)
экономия 17%
Замок тросовый FUARO PL-12150-CODE (12х1500)
559,30
678,80
экономия 17%
В наличии
559,30
678,80
экономия 17%
В наличии
Количество
Кол-во
1 006,10
1 221,60
экономия 17%
В наличии
Количество
Кол-во
985,70
1 196,90
экономия 17%
В наличии
Количество
Кол-во
985,70
1 196,90
экономия 17%
В наличии
Количество
Кол-во
985,70
1 196,90
экономия 17%
В наличии
Количество
Кол-во
985,70
1 196,90
экономия 17%
В наличии
Количество
Кол-во
985,70
1 196,90
экономия 17%
В наличии
Количество
Кол-во

Товар добавлен в корзину

Закрыть
Закрыть