Корзина
0 ₽
пуста
Замок накладной гаражный ЭЛЬБОР Гранит 1.06.56.МА медный антик
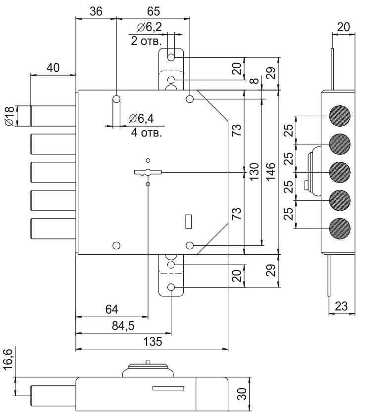
Замок накладной 1.06.56.МА ГРАНИТ производителя "Эльбор" для различных дверей. В качестве материала используется высокопрочная сталь с защитой от коррозии. Механизм секретности - 6-сувальдный в комплекте с ключами. Помимо ключа в изделии нет возможности открывать и закрывать замок.
Особенности: Удаление ключевого отверстия - 64 мм. Количество ключей - 5. Тип ригелей - цилиндрический. Количество ригелей - 4 диаметром по 18 мм. Количество кодовых комбинаций - 1 500 000.
| Основное | |
|---|---|
| Артикул | 4412 |
| Артикул производителя | 00427 |
| Производитель | ЭЛЬБОР |
| Коллекция | Гранит |
| Цвет | Медь |
| Назначение | Для металлических дверей |
| Материал изделия | Сталь |
| Бэксет удаление ключевого отверстия | 64 мм |
| Тип защелки | Нет |
| Размер ригеля | 18 мм |
| Количество ригелей | 5 |
| Наличие цепочки | Нет |
| Наличие защелки | Нет |
| Запирание изнутри | Ключом |
| Количество ключей | 5 |
| Материал ключа | Сталь |
| Класс безопасности | 4 |
| Тип механизма секретности | Сувальдный |
| Вес изделия | 1790 г |
| Страна производства | Россия |
| Гарантия | 6 лет |
| Тип упаковки изделия | Коробка |
| Толщина двери | 40-80 мм |
Загрузка данных авторизации