Корзина
0 ₽
пуста
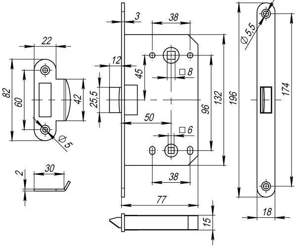
Защелка бесшумная сантехническая Rucetti RP1895 BL черный
Дверные защелки Rucetti соответствуют высшему классу надежности (250 000 циклов открывания/закрывания).
Срок службы: не менее 7 лет.
Корпус изготовлен из высокопрочной стали. Лицевые элементы имеют надежное гальваническое покрытие.
Комплектация: Корпус защелки + ответная планка W7 + комплект шурупов (4шт.)
| Основное | |
|---|---|
| Артикул | 17841 |
| Артикул производителя | RP1895 BL |
| Производитель | RUCETTI |
| Коллекция | RP1895 |
| Цвет | Черный |
| Назначение | WC-комплекты |
| Тип замка | Сантехническая защелка |
| Материал изделия | Сталь |
| Материал защелки | Пластиковая защелка |
| Тип механизма защелки | Классическая защелка |
| Межосевое расстояние | 96 мм |
| Бэксет удаление ключевого отверстия | 50 мм |
| Удаление квадрата под ручку | 50 мм |
| Сечение квадрата ручки | 8 мм |
| Сечение квадрата фиксатора | 6 мм |
| Дополнительная фиксация | Поворотной ручкой |
| Лицевая планка | Овальная |
| Ширина планки | 18 мм |
| Ответная планка | Есть |
| Тип ригеля | Прямоугольный со скосом |
| Количество ригелей | 1 |
| Вылет ригеля | 12 мм |
| Отверстия под стяжки | Да |
| Единицы измерения | шт |
| Вес изделия | 340 г |
| Категория | Сантехнические защелки |
| Страна | Италия |
| Страна производства | Китай |
| Гарантия | 1 год |
| Тип упаковки изделия | Подвес |
Загрузка данных авторизации