Корзина
0 ₽
пуста
Защелка магнитная под цилиндр MORELLI M1885 MSG мат. сатинированное золото
Защелка магнитная под цилиндр используется для запирания межкомнатных дверей ключом с использованием магнитного механизма.
| Основное | |
|---|---|
| Артикул | 18502 |
| Артикул производителя | M1885 MSG |
| Производитель | MORELLI |
| Коллекция | M1885 |
| Цвет | Сатинированное золото |
| Назначение | Для межкомнатных дверей, Под цилиндр |
| Тип замка | Врезной под цилиндр |
| Материал изделия | Сталь |
| Материал защелки | Магнитная защелка |
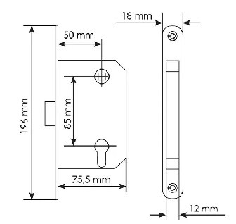
| Межосевое расстояние | 85 мм |
| Бэксет удаление ключевого отверстия | 50 мм |
| Удаление квадрата под ручку | 50 мм |
| Сечение квадрата ручки | 8 мм |
| Лицевая планка | Овальная |
| Ответная планка | Есть |
| Наличие лицевой планки | С планкой |
| Тип защелки | Универсальная |
| Тип ригеля | Прямоугольный |
| Количество ригелей | 1 |
| Наличие защелки | Нет |
| Комплектация цилиндром | Нет |
| Комплектация ручкой | Нет |
| Отверстия под стяжки | Да |
| Единицы измерения | шт |
| Категория | Замки врезные под цилиндр |
| Страна | Италия |
| Страна производства | Китай |
| Гарантия | 1 год |
Загрузка данных авторизации